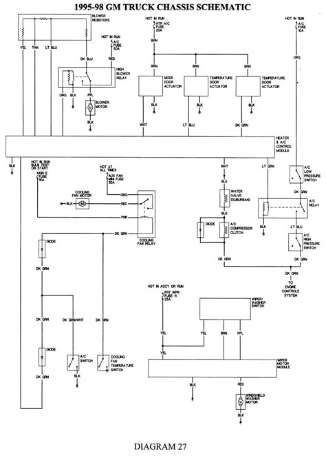
Gm Temperature Actuator Wiring Harness
File Name: Gm Temperature Actuator Wiring Harness.pdf
Size: 5558 KB
Type: PDF, ePub, eBook
Category: Book
Uploaded: 2020 Oct 18, 13:04 Rating: 4.6/5 from 142 votes.

Status: AVAILABLE

Last checked: 32 Minutes ago!

In order to read or download Gm Temperature Actuator Wiring Harness ebook, you need to create a FREE account.

Download Now!

eBook includes PDF, ePub and Kindle version

In order to read or download Gm Temperature Actuator Wiring Harness Book Mediafile Free File Sharing ebook, you need to create a FREE account.

Download Now!

eBook includes PDF, ePub and Kindle version